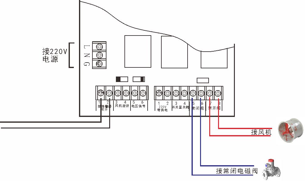
首页 技术资料 R100应用范例:控制常闭阀+排风机 R100应用范例:控制常闭阀+排风机2026年3月19日 客户需求:阀控箱输出控制220V常闭阀以及事故风机,当收到关阀信号时,常闭阀断电关阀,风机通电启动,风机规格220V/200W。 这个需要可以使用一台常规的220V阀控箱实现,结构图如下 输出信号选择开关设置常输出 接线示意图为 上一篇:文章 瑞联云平台微信绑定操作说明 下一篇:文章 部分可燃气体爆炸极限下限值调整汇总表 相关文章 R600系列气体检漏仪基本操作说明 德尔格x-am5000四氢噻吩检测仪使用说明 部分可燃气体爆炸极限下限值调整汇总表